集成电路运算放大器芯片的内部组成单元
集成电路运算放大器芯片是一种高增益的多级直接耦合的电压放大器,它是发展最早、应用最广泛的一种模拟集成电路。它采用集成工艺,将大量半导体三极管、电阻、电容等元器件及其连线制作在一块单晶硅的芯片上,并具有一定的功能。由于它最初用于信号的运算,所以称为集成运算放大器,简称集成运放。集成运算放大器的种类很多,电路也不一样,其基本结构通常由4部分组成,即输入级、中间级、输出级和偏置电路。

输入级由差分放大电路构成,主要是为了提高电路抑制温度漂移的能力。温度漂移是指当温度、电源电压等参数变化时,电路的直流工作点随温度而缓慢变化的现象,它将会使整个电路工作不稳定。中间级的主要作用是提供大的电压增益,一般为多级放大电路。输出级的主要作用是为负载提供一定的功率,应具有较强的带负载能力。偏置电路的作用主要是为各级放大电路提供稳定的直流工作点,通常由恒流源电路实现。
差分放大电路的概念
集成运放的输入级是差分放大电路,如果只看外特性,则可将集成运放等效为高性能的差分放大电路。差分放大电路有两个输入端和两个输出端,只有当两个输入端的信号有差值时,才有输出信号,当两输入端信号相同时,电路没有输出信号。
1.共模信号和差模信号
(1)共模信号Uic
共模信号为大小相同、相位相同的一对信号。
(2)差模信号Uid
差模信号为大小相同、相位相反的一对信号。
设任意两个输入信号ui1和ui2,则可以看出差模信号Uid是两个输入信号之差,而共模信号Uic是两者的算术平均值。当用差模和共模信号表示两个输入电压时,对上述两式进行线性变换。
可见,任意两个输入信号都可以分解为一对共模信号和一对差模信号的叠加,其相应的输出为共模输出电压Uoc和差模输出电压Uod。
例如,Ui1=30mv,Ui2=20mv,则Uid=10mv,Uic=25mv,等效为输入了一对10mv的差模信号和一对 25mv 的共模信号,当差分放大电路工作在线性区时,根据叠加定理,可分别讨论其差模信号的输出和共模信号的输出,总输出为两种输出信号的叠加。
2.差分放大电路的放大倍数和共模抑制比
(1)差模放大倍数Aod
差模放大倍数Aod定义为差模输出电压与差模输入电压之比
(2)共模放大倍数Aoc
共模放大倍数Aoc定义为共模输出电压与共模输入电压之比
(3)共模抑制比KCMR
差分放大电路可放大差模信号,抑制共模信号,为了衡量电路抑制共模信号的能力,引入共模抑制比KCRM,定义为差模放大倍数与共模放大倍数之比
实际上也常用分贝(dB)来表示,
共模抑制比越大,抑制共模信号的能力越强,差分电路的性能越好,因此KCMR越大越好。一般通用型运放KCMR为80~120,理想集成运算放大器,KCMR应趋于无穷大。
3.差分放大电路的四种接入方式
当差分放大电路为双端输入、双端输出时,信号源和负载均不接地。实际中,往往需要某一端接地,因此差分放大电路具有4种不同的输入/输出方式,即双端输入、双端输出,双端输入、单端输出,单端输入、双端输出,单端输入、单端输出。
集成运放的符号、模型及其电压传输特性
1.集成运算放大器的符号
它有两个输入端u+和u-,一个输出端uo。u+端称为同相输入端,表示输出电压uo与输入电压u-相位相同,u-端称为反相输入端,表示输出电压uo与输入电压u-相位相反。
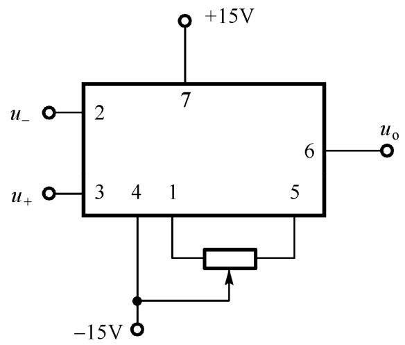
对于使用者来说需要知道运放的各个引脚的功能和运放的主要参数,这些可以通过查手册得到。通用型集成运放F007被认为是早期发展阶段集成运放电路的一个范例,F007是国内型号,对应国外同类产品的型号为μA741,有金属圆外壳和陶瓷双列直插式封装两种类型,辨认圆形外壳封装元件的引脚时,应将引脚朝上,外壳突出处的引脚为第8脚,其他引脚则按顺时针方向从1~7顺序排列。辨认双列直插式封装元件的引脚时,应将元件正面放置,即引脚朝下,将正面的半圆标记置于左边,从左下角开始逆时针方向从1~8顺序排列。
对照图4.2.4,F007的7个引出脚分别为:7脚接正电源+Vcc,4脚接负电源-VEE,1脚和5脚之间接调零电位器,6脚为输出脚,2脚为反相输入端,3脚为同相输入端。


2.集成运算放大器的电路模型
集成运算放大器是电压放大器,根据4.1节的有关知识,运放可用一个包含输入端口、输出端口和供电电源的双口网络来表示,图中采用双电源±Vcc供电。
输入端用输入电阻rid来模拟,输出端用输出电阻ro和受控电压源Aoduid来模拟,uid=u+-u-,Aod为开环电压放大倍数。定义为
开环电压增益通常用201g|Aod|表示,其单位为分贝(dB),目前有的通用型运放的Aod可以达到140dB以上。
3.集成运算放大器的电压传输特性
集成运算放大器芯片的输出电压uo与输入电压uid = u+ – u-\(即同相输入端与反相输入端之间的电压差)之间的关系曲线称为电压传输特性。
集成运放的电压传输特性可分成线性区和非线性区两部分。在线性区,曲线的斜率为电压放大倍数Aod;在非线性区,输出电压只有两种电压值,即UOH和UOL。电路模型中的输出电压不可能超过正、负电源电压值,当电源电压为±VCC,运算放大器为理想时,Uoh≈ + VCC,UOL≈ – VCC。
集成运放的差模开环电压放大倍数Aod很大,线性区非常窄。例如,Uo = ±14V,Aod = 10?,那么uid = u+ – u-≈28μ,即uid<28μV时,电路才能工作在线性区,否则进入非线性区,输出电压为±14V。